Roots – Herausragende Architektur in Holz

Baden-Baden, im Oktober 24 - In der Hamburger HafenCity ist mit Roots das bislang höchste Holzhochhaus Deutschlands entstanden. Bauherrin ist die Garbe Immobilien-Projekte GmbH, der Entwurf stammt vom renommierten Hamburger Architekturbüro Störmer Murphy and Partners GbR. Die Planung des Hochhauses in Massivholzbauweise ist zukunftsweisend im Hinblick auf nachhaltige Projektentwicklung. Tragendes Material der Wohngeschosse ist Holz, einzelne Bauteile wie die Treppenhäuser und der Gebäudesockel sind aus Beton. Der Übergang von Stahlbeton zu Holz, wie bei dem ans Hochhaus angeschlossenen niedrigeren Gebäuderiegel, stellte die Planer vor manche Herausforderung. Die Lösung für den tragenden und thermisch trennenden Anschluss der Balkonplatten aus Stahlbeton an die Geschossdecken aus Brettsperrholz gelang den Planern in einer Sonderkonstruktion mit Schöck Isokorb T Typ S.

Roots, ein neues architektonisches Wahrzeichen am Eingang des Elbbrückenquartiers, besteht aus zwei verschiedenen Gebäudeteilen. Das Hochhaus ist mit 19 Stockwerken und 65 Metern das aktuell höchste Holzhaus Deutschlands im Bau. An das Hochhaus schließt ein siebengeschossiges Riegelgebäude in L-Form an. Auf einer Bruttogeschossfläche von 36.200 Quadratmetern sind insgesamt 181 Wohnungen sowie Büroräume und Ausstellungsflächen der Deutschen Wildtier Stiftung untergebracht.

Ausführung als Holz-Hybridbau

Die Architekten von Störmer Murphy and Partners leisteten mit dem Entwurf Pionierarbeit. Der Turm besticht durch umlaufende Loggien und einer zweiten Fassade aus Glas, die Schutz vor Wind und Wetter bietet. Im Riegelgebäude erweitern vorgehängte Balkone die Wohnungen nach außen.

Für das gesamte Tragwerk ist Holz der vorherrschende Baustoff: Neben den Decken sind auch die Stützen innerhalb der tragenden Innen- und Außenwände aus Massivholz. Sie liegen im Wandquerschnitt der tragenden Außen- und Ringwände. Lediglich die Erschließungskerne, die Gründungssohle, die Sockelgeschosse und die ersten zwei Geschosse des Turms mit abschließender umlaufender Auskragung sowie die vorgehängten Balkone im Riegelbau sind als Stahlbetonkonstruktion geplant.

Modulare Holzelemente

Für die Errichtung des Bauwerks wurden rund 2.770 modulare Holzelemente im Werk des für seine Expertise im Ingenieurholzbau bekannten Unternehmens Rubner Holzbau GmbH, Augsburg, millimetergenau vorgefertigt. Bei den Fassadenelementen kam eine Lärchenschalung zum Einsatz: unbehandelt und horizontal verbaut im Hochhaus, vorvergraut und vertikal verbaut im Riegelgebäude.

Die Decken- und Wandelemente mit einer Höhe zwischen zweieinhalb und drei Metern und einer Länge von bis zu 14 Metern mussten nur noch vor Ort montiert werden. „Dank der Vorfertigung profitierten wir von einem hohen Maß an Präzision und einem effizienten Bauablauf“, nennt Benedict Pielmeier, Projektleiter bei Garbe, die Vorteile der Fertigteil-Bauweise gegenüber dem konventionellen Vorgehen. Auch Uta Meins und Philipp Macke, die beiden projektleitenden Architekten, sind begeistert: „Die Fertigwandelemente kamen vormontiert und perfekt abgeklebt an. Es war faszinierend, wie präzise und sauber alles schon im Bauzustand war“, sagt Macke.

Balkonanschluss mit spezifischen Anforderungen

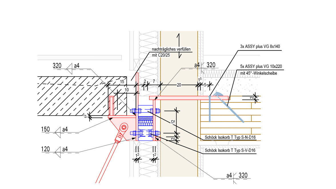
Beim Riegelgebäude erarbeiteten die Tragwerksplaner zusammen mit den Architekten und den Experten von Schöck eine Sonderlösung für den Anschluss der auskragenden Stahlbetonbalkone an die Massivholzdecken aus Brettsperrholz. Gefordert war die zuverlässige Lastabtragung der schweren Balkonplatten bei gleichzeitiger thermischer Trennung. „Dieses Detail war eine echte Herausforderung, denn wir mussten Wärmebrücken zwischen der Holzdecke und den Stahlbetonbalkonen vermeiden“, erklärt Ingenieur Michel Könecke vom zuständigen Planungsbüro Assmann Planen und Beraten, Braunschweig.

Sonderkonstruktion schlägt Brücke zwischen Stahl und Holz

Das gelang mit Schöck Isokorb T Typ S, dem tragenden Wärmedämmelement für den Anschluss von frei auskragenden Stahlträgern an Stahlkonstruktionen.  Durch seine vielseitige und flexible Anwendung ermöglicht Isokorb T Typ S auch den wärmegedämmten Anschluss von Stahlbetonbalkonen mit einer überbrückenden Stahlkonstruktion.

Schöck Isokorb T Typ S besteht aus zwei Modulen und überträgt, je nach Anordnung, Momente, Quer- und Normalkräfte. Das erleichtert die flexible Anpassung an individuelle Anschlusssituationen. „Der modulare Aufbau kam uns sehr entgegen“, sagt Könecke. „So konnten wir die Kräfte gut trennen und frei wählen, wie weit wir die Module auseinanderziehen.“

Die vertikale Lastabtragung übernimmt eine Stahlplatte. Sie liegt horizontal auf dem Stützenkopf auf und führt nach innen. Nach vorne schließt die Konstruktion mit einem Kopfblech ab, an das Schöck Isokorb bereits bei Rubner Holzbau montiert wurde. Die Stahlplatte wurde erst auf der Baustelle auf der Brettsperrholzdecke befestigt. Kopfblech und Isokorb liegen in der Dämmschicht vor der Stütze. Nach dem Ausdämmen und Abkleben wurde das äußere Stahlbauteil an das Wärmedämmelement montiert. Es ist als Konsole konstruiert, mit einem Auflager für die Balkonplatten und einem Dorn zur Lagefixierung. Die Stahlbetonfertigteile wurden einschließlich der passenden Öffnung ab Werk geliefert.

Zugstäbe sichern zusätzliche Lasten

Für die sichere Lastabtragung der Balkone wurden darüber hinaus Zugeisen angebracht. Diese wurden an je einem Stahlwinkel in den beiden vorderen Ecken der Balkonplatten befestigt und schräg nach oben Richtung Wand bis zum darüberliegenden Balkon geführt. Dort konnten sie an der Unterseite der Konsole verschraubt werden.

Bei der letzten Balkonreihe mussten die Zugstäbe an die bereits erstellte, oberste Geschossdecke aus Stahlbeton angeschlossen werden. Selbst für diese besondere Anforderung hat Schöck mit Isokorb RT ein passendes Produkt im Portfolio: Es ist das einzige tragende Wärmedämmelement am Markt, das einen nachträglichen Einbau in Stahlbetondecken ermöglicht. Zum Einsatz im „Roots“ für den Anschluss von Stahlkonstruktionen an Stahlbeton kam hierbei Isokorb RT Typ SK.

Schöck Isokorb sichert umlaufende Auskragung

Die Holzkonstruktion des Hochhausturms sitzt über dem 2. Obergeschoss auf einer Art Tisch aus Stahlbeton auf. „Die Umsetzung war nicht ganz einfach, weil wir die Decke selbst nicht auskragen lassen wollten. Wir haben den Überstand deshalb als umlaufenden Balkon angelegt“, erläutert Tragwerksplaner Könecke. Für den energieeffizienten und zuverlässig tragenden Anschluss der frei auskragenden Stahlbetonplatten baute das Betonfertigteilwerk unter anderem Schöck Isokorb XT Typ K ein.

Auf der Baustelle wurden die mit Schöck Isokorb angeschlossenen Balkonfertigteile in Position gebracht und mit der im Ortbetonverfahren erstellten Decke betoniert. „Schöck hat ein großes Portfolio mit vielen Produkten und viele Lösungen. Außerdem sind die Informationen leicht zugänglich“, begründet Könecke den umfangreichen Einsatz der Produkte des Herstellers und ergänzt: „Auch der Kundenservice ist gut. Unser Ansprechpartner ist immer erreichbar, wenn wir ihn brauchen.“

Trittschalldämmung mit Schöck Tronsole

Ein anderes, bewährtes Produkt von Schöck wurde in den Treppenhäusern verbaut, die in den Erschließungskernen untergebracht sind. Hier waren Maßnahmen zur Trittschallminderung erforderlich. Die Anschlüsse der Fertigteil-Treppenläufe an die Podeste wie auch an die Bodenplatten wurden daher mit dem Trittschalldämmelement ausgeführt. Schöck Tronsole sorgt für einen effektiven Trittschallschutz, so dass in den Wohnungen wohltuende Ruhe herrscht – eine wesentliche Voraussetzung für hohen Wohnkomfort.

Leuchtturmprojekt für nachhaltige Projektentwicklung

Roots ist ein beeindruckendes Beispiel für das Potenzial von Holz im Gebäudebau und die klimafreundliche und architektonisch ansprechende Nachverdichtung von Städten. „Mit unserer Entscheidung, vermehrt Holz als Baustoff einzusetzen, gehen wir einen unkonventionellen Weg, der jedoch Klima und Ressourcen schont, sowie eine lange Lebensdauer verspricht“, erklärt Benedict Pielmeier. Die Realisierung zeigt bereits nachhaltig Wirkung: „Mit der Umsetzung der Idee eines Hochhauses mit sämtlichen tragenden Elementen aus Holz haben wir Neuland betreten und Pionierarbeitet geleistet“, so Architektin Uta Meins.

Bautafel

Bauzeit: 2020–2024
Bauherrin: Garbe Immobilien-Projekte GmbH, Hamburg
Architektur: Störmer Murphy and Partners GbR, Hamburg
Tragwerksplanung: ASSMANN BERATEN + PLANEN GmbH, Braunschweig
Brandschutz: Hahn Consult Ingenieurgesellschaft für Tragwerksplanung und Baulichen Brandschutz mbH, Hamburg
Ingenieurholzbau: Rubner Holzbau GmbH, Augsburg
Massivbau: Oevermann Hochbau GmbH, Münster
Produkte: Schöck Isokorb T Typ S, Schöck Isokorb RT Typ SK, Schöck Isokorb XT Typ K, Schöck Tronsole Typ F, Schöck Tronsole Typ B mit Typ D

Downloads
Bilder in Printqualität
zip, 25,06 MB
Bilder in Webqualität
zip, 3,16 MB
Pressemitteilung PDF
pdf, 3,45 MB
Pressemitteilung unformatiert
txt, 13,12 KB